2013177
/search
Rubicon_D4
Oppdaterer, vennligst vent...
Produkter
Totalt antall treff:
Se hele resultatet...
Kategorier
Merker
Merkenavn
Artikler
Antall artikler funnet:
Eiva-Safex Teater sjakkel – 1T
GP/H SKRU1.00T 3/8" - G-4161
134,-
Teater sjakkel – G-4161T
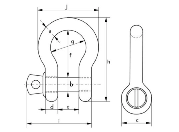
Teknisk data:
Sertifisering: 2.1, 2.2, 3.1, MTCa, CE
Materiale: Grade 60, matt svart
Sikkerhetsfaktor: 6
Standard: EN13889, US. Fed Spec. RR-C-271 Type IVA Class 2, Grade A
Temperatur: -40°C til +200°C
Art.nr.
WLL
t
Dimensjoner (mm)
vekt
kg
a
b
c
d
e
f
g
h
i
j
300405t.GP
0.33
5
6
12
5
9.5
22
16
36
29.5
26
0.02
300406t.GP
0.5
7
8
16.5
7
12
29
20
48.5
38
34
0.05
300408t.GP
0.75
9
10
20
9
13.5
32
22
56
46.5
40
0.10
300410t.GP
1
10
11
22
10
17
36.5
26
63.5
54
46
0.14
300411t.GP
1.5
11
13
25.5
11
19
43
29
74
59.5
51
0.19
300413t.GP
2
16.5
16
34
13
22
51
32
89
73
58
0.36
300416t.GP
3.25
16
19
40
16
27
64
43
110
89
75
0.63
300419t.GP
4.75
19
22
46
19
31
76
51
129
103
89
1.01
300422t.GP
6.5
22
25
52
22
36
83
58
144
119
102
1.50
300425t.GP
8.5
25
28
59
25
43
95
68
164
137
118
2.21
300428t.GP
9.5
28
32
66
28
47
108
75
185
153
131
3.16
300432t.GP
12
32
35
72
32
51
115
83
201
170
147
4.31
300435t.GP
13.5
35
38
80
35
57
133
92
227
186
162
5.55
300438t.GP
17
38
42
88
38
60
146
99
249
203
175
7.43
300444t.GP
25
45
50
103
45
74
178
126
300
242
216
12.84
Tilbehør
Alternativer
Artikler
Antall artikler funnet:
Kontakt oss
Produsenter
Kundesenter
Mine tilbud
Logg inn
Ingen varer i handlevognen
Ingen varer i ordreboka
produkt
produkter
(
)
(
)
(
)
Til kassen
×
Aktiv leveringsdato
Leveringsdatoer
Ordre oversikt
Handlevogn
varer i handlevognen
Klikk her for å se alle
Handlevognen er tom.
Søk
Her er du nå:
Rubicon
>
Scene/rigg
>
Sikkerhetsprodukter
>
Sjakler
>
Eiva-Safex Teater sjakkel – 1T
Eiva-Safex Teater sjakkel – 1T
GP/H SKRU1.00T 3/8" - G-4161
Varenr:
300410T.GP
134,-
eks mva.
Logg inn
for å se dine nettopriser.
Ikke kunde?
Søk om kundestatus
.
Farge
Sort
.
WLL
0.33T
0.5T
1.5T
1T
2T
3.25T
4.75T
6.5T
8.5T
Vis varianter som liste
Kjøp
Du blir nå videresendt til Vipps for betaling...
20
På lager
Beskrivelse
Teknisk info
Dokumenter
Gå til kjøp
Kjøp
Beskrivelse
Teater sjakkel – G-4161T
Teknisk data:
Sertifisering: 2.1, 2.2, 3.1, MTCa, CE
Materiale: Grade 60, matt svart
Sikkerhetsfaktor: 6
Standard: EN13889, US. Fed Spec. RR-C-271 Type IVA Class 2, Grade A
Temperatur: -40°C til +200°C
Art.nr.
WLL
t
Dimensjoner (mm)
vekt
kg
a
b
c
d
e
f
g
h
i
j
300405t.GP
0.33
5
6
12
5
9.5
22
16
36
29.5
26
0.02
300406t.GP
0.5
7
8
16.5
7
12
29
20
48.5
38
34
0.05
300408t.GP
0.75
9
10
20
9
13.5
32
22
56
46.5
40
0.10
300410t.GP
1
10
11
22
10
17
36.5
26
63.5
54
46
0.14
300411t.GP
1.5
11
13
25.5
11
19
43
29
74
59.5
51
0.19
300413t.GP
2
16.5
16
34
13
22
51
32
89
73
58
0.36
300416t.GP
3.25
16
19
40
16
27
64
43
110
89
75
0.63
300419t.GP
4.75
19
22
46
19
31
76
51
129
103
89
1.01
300422t.GP
6.5
22
25
52
22
36
83
58
144
119
102
1.50
300425t.GP
8.5
25
28
59
25
43
95
68
164
137
118
2.21
300428t.GP
9.5
28
32
66
28
47
108
75
185
153
131
3.16
300432t.GP
12
32
35
72
32
51
115
83
201
170
147
4.31
300435t.GP
13.5
35
38
80
35
57
133
92
227
186
162
5.55
300438t.GP
17
38
42
88
38
60
146
99
249
203
175
7.43
300444t.GP
25
45
50
103
45
74
178
126
300
242
216
12.84
Teknisk info
Produktinformasjon
Farge
Sort
WLL
1T
Dokumenter
Produsent
Support
SIST SETTE PRODUKTER
Kjøp
Quick View+
Telefunken M60 FET Cardioid
Small Diaphragm Condenser Mic
9 721,-
Kjøp
Quick View+
Littlite Desk light ANSER 24" LED
24", PSU, ANSER = Warm light
2 433,-
Kjøp
Quick View+
Obsidian Netron RP2
Intelligent 2-veis DMX-strømrele
3 833,-
Kjøp
Quick View+
Littlite Desk light ANSER 12" LED
12", PSU, Anser = Warm light
2 261,-
15
Kjøp
Quick View+
Eiva-Safex Teater sjakkel – 1T
GP/H SKRU1.00T 3/8" - G-4161
134,-
20
Eiva-Safex Teater sjakkel – 0.33T
GP/H SKRU 0.33T 3/16" G-4161
Varenr
300405T.GP
Ikke på lager (
0
dager)
100,-
Kjøp
Eiva-Safex Teater sjakkel – 0.50T
GP/H SKRU 0.50T 1/4" G-4161
Varenr
300406T.GP
Ikke på lager (
0
dager)
111,-
Kjøp
Eiva-Safex Teater sjakkel – 1,50T
GP/H SKRU 1.50T 7/16" - G-4161
Varenr
300411T.GP
Ikke på lager (
0
dager)
170,-
Kjøp
Eiva-Safex Teater sjakkel – 1T
GP/H SKRU1.00T 3/8" - G-4161
Varenr
300410T.GP
20
På lager
134,-
Kjøp
Eiva-Safex Teater sjakkel – 2T
GP/H SKRU 2.00T 1/2" - G-4161
Varenr
300413T.GP
16
På lager
239,-
Kjøp
Eiva-Safex Teater sjakkel – 3,25T
GP/H SKRU 3.25T 5/8" - G-4161
Varenr
300416T.GP
4
På lager
320,-
Kjøp
Eiva-Safex Teater sjakkel – 4,75T
GP/H SKRU 4.75T 3/4" - G-4161
Varenr
300419T.GP
Ikke på lager (
0
dager)
421,-
Kjøp
Eiva-Safex Teater sjakkel – 6,50T
GP/H SKRU 6.50T 7/8" G-4161
Varenr
300422T.GP
Ikke på lager (
0
dager)
565,-
Kjøp
Eiva-Safex Teater sjakkel – 8,50T
GP/H SKRU 8.50T 1" - G-4161
Varenr
300425T.GP
Ikke på lager (
0
dager)
827,-
Kjøp
Copyright © 2026 Rubicon AS - All rights reserved
Forretningssystem
og
nettbutikkløsning
levert av
Multicase™ Norge AS
Logg inn / Ny kunde
Registrer meg som kunde
Kontakt oss
Produsenter
Kundesenter
Mine tilbud
Tilbake